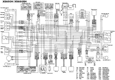
1981 XS650SP 配線図
2011-02-10
1981 XS650SP 配線図
ニュース一覧へ
DX-250 RX-350 RD-250/400
XS-250/400 GX-250/400
RZ-250/350 RZ250R/350R RZR-250/350
SR-400/500 XT/TT-500 SRX-400/600
GX-750 XS-750/850/1100
その他ヤマハ車
ヤマハオフロードモデル
CB/CL-250/350 CB-250T/360T CJ-250/360
HAWK CB-250/400
CB-350F/400F/500F/550F
CB/CL-450/500T
CBX-1000
CL400 CB400SS GB400/500
その他ホンダ車
ホンダオフロードモデル
S-1 S-2 S-3 KH250/400
H-1 KH500 H-2 KH750
Z-250/400/750 TWIN
Z-1 Z-2 Z-650750/1000 Z-1R
W-1 W-1S W-1SA W3
ESTRELLA 250TR
その他カワサキ車
カワサキオフロードモデル
GS-400/550
GS-750/1000 GS-650G/750G/850G
GT-380/550/750
GT-250/350 T-250/350/500
VOLTY GRASS-TRACKER BIG-BOY
GSX-250/400/750/1100
その他スズキ車
スズキオフロードモデル
外国車 Parts
その他汎用パーツ
AMALIE オイル
グッズ 、その他
オーダーアイテム